Газовый парогенератор 700 кг 115° C 0,07 МПа в Оренбурге

  • Стабильная выработка сухого пара независимо от нагрузки котла
  • Высокая надежность конструкции благодаря отсутствию температурных расширений
  • Возможность подпитки котла даже холодной водой +5 ºС
  • Не требует регистрации в Ростехнадзоре
Цена с НДС:
757 000 рублей
Цена с НДС на газовый парогенератор 700 кг 115° C 0,07 МПа с доставкой в
от 757 000 рублей
Условия в
В наличии на складе
Доставка ТК по России и Казахстану
Безналичный расчет
Есть в наличии
Можно купить в лизинг
Газовый парогенератор 700 кг пара
Парогенератор 700 кг пара на газе
Газовый парогенератор 700 кг пара - изготовление
Изготовление газового парогенератора 700 кг пара
Парогенераторы 700 кг пара на газе - производство
Производство парогенераторов 700 кг пара на газе
Промышленный газовый парогенератор 700 кг пара
Промышленный парогенератор 700 кг пара на газе
Парогенератор 700 кг пара на газе - изготовление
Изготовление парогенератора 700 кг пара на газе
Газовый парогенератор 700 кг пара
Газовый парогенератор 700 кг пара - изготовление
Парогенераторы 700 кг пара на газе - производство
Промышленный газовый парогенератор 700 кг пара
Парогенератор 700 кг пара на газе - изготовление
Видеообзор
Производительность 700 кг/ч
Топливо Газ
Температура пара, не более 115 °С
Давление пара, не более 0.07 МПа
Технические
характеристики
Описание
товара
Комплект
поставки
Дополнительное
оборудование
Монтаж и схемы
подключения
Сертификаты
и гарантии

Технические характеристики парогенератора газового 700 кг 115 °С

Тип Парогенератор
Вид топки Газовая горелка
Конструкция котла Жаротрубный
Производительность 700 кг/ч
Производительность 0.7 т/ч
Максимальная тепловая мощность 0.52 МВт
Диапазон регулирования мощности 40-100 %
Топливо Газ
Низшая теплота сгорания проектного топлива 8120 кКал/кг
КПД котла на ГАЗЕ, не менее 90 %
Расход ГАЗА при максимальной нагрузке котла 65 м³/ч
Расход условного топлива 75 кг/ч
Температура пара, не более 115 °С
Давление пара, не более 0.07 МПа
Давление пара, не более 0.7 кгс/см²
Давление пара, не более 0.7 бар
Полный объем котла 2.05 м³
Объем паровой части 0.18 м³
Аэродинамическое сопротивление 50 (5.0) Па (мм. вод. ст.)
Тяга Естественная
Объем топочной камеры 0.85 м³
Размер топочной камеры, диаметр*глубина 800х1700 мм
Присоединительные размеры выхода пара 80 Ду
Присоединительные размеры по водяному тракту 32 Ду
Присоединительные размеры по дымовым газам / дымовая труба 250 Ду
Габаритные размеры котла, длина*ширина*высота 3300х1450х1650 мм
Масса 1700 кг
Марка STEAMEXPERT
Энергоэффективность Высокая
Бренд STEAMEXPERT
Чертеж газового парогенератора 700 кг 115 С
Газовый парогенератор 700 кг 115 С чертеж
Парогенератор 700 кг 115 С на газе чертеж
Чертеж парогенератора 700 кг 115 С на газе

Конструкция и преимущества парогенератора STEAMEXPERT

Промышленный газовый парогенератор 700 кг час 115 С марки STEAMEXPERT – выполняется напольной горизонтальной жаротрубной конструкцией. Котельный блок жаротрубный комбинированный, состоит из наружной обечайки и внутренней обечайки. Пространство между обечайками заполняется водой. Передняя часть внутренней обечайки выполняет функции жаровой трубы – топка котла с колосниковой решеткой. За топкой выполнен водотрубный конвективный пучок. В верхней части котла устанавливается паросборная камера, в которой собирается и сепарируется пар. На паросборной камере устанавливаются предохранительные клапаны, арматура и контрольно-измерительные приборы. Такое устройство принципиально отличает газовый парогенератор STEAMEXPERT-0,7-0,07-115 Г от парогенераторов марки КПО, Орлик, ПАР-0,7-0,07, Орел.

Благодаря большому объему нагреваемой в котле воды и зеркалу испарения, промышленный комбинированный парогенератор ПГ 700 на газе с температурой пара 115 С имеют следующие преимущества:

  • потребитель получает сухой пар. Сепарационные устройства препятствуют выносу капель воды с зеркала испарения и капель конденсата образующихся на внутренних стенках паропроводов генератора;
  • независимо от нагрузки происходит бесперебойная подача насыщенного пара;
  • газовый котел парогенератор пар 700 кг час Оренбург не боится подпитки даже холодной водой;
  • тепловые расширения металла минимальны поэтому паровой генератор обладает высокой надежностью и долговечностью.

Для удобства обслуживания в процессе эксплуатации в конструкции котла предусмотрены следующие технические решения:

  • наружные сажистые отложения очищаются системой обдувки конвективного пакета паром прямо в процессе работы без остановки котла. Для осмотра конвективных поверхностей нагрева, в задней части газоплотный цилиндрический парогенератор КП 700 на газу имеет люк;
  • в задней части котла устанавливается продувочный штуцер Ду 25 для удаления образующегося в котле шлама;
  • на паросборной камере и водомерной колонке установлен вентиль Ду 15 для спуска воздуха при подготовке к работе.
Паровой котел газовый с дымовой трубой

К фронтовой плите котельного блока крепится горелка для подачи топлива в топку котла через амбразуру. Газовый парогенератор Е 0.7 0.07 может работать с длинофакельными горелками различных производителей – отечественными EMMA и импортными UNIGAS, BALTUR, ECOSTAR, FBR S.R.L., в качестве топлива может применяться природный газ низкого и среднего давления, а также сжиженный газ.

На задней крышке котла в основании дымовой трубы выполнен предохранительный взрывной клапан.

Дымовая труба может проходить как по наружной стене помещения, так и через кровлю котельного помещения.

Производственный стационарный не поднадзорный парогенератор steam 700 низкого давления 0.07 на газу российского производства подпитывается из питательного бака через электронасос, соединительную арматуру.

Для подпитки желательно устанавливать два насоса – один рабочий и второй резервный.

На боковой части корпуса устанавливается водомерная колонка (датчик уровней воды) и два указателя уровня, связанная с паровым и водяным пространством парогенераторной установки соединительными трубками.

Применение парогенераторов

Наши российские парогенераторы на природном и сжиженном газе малой мощности 0.7 тонн пара применяют при производстве ЖБИ изделий, для изготовления пенопласта, химические и фармацевтические предприятия, строительные организации, бетонные заводы, больницы, общественные заведения, воинские части, автоколонны, ДСУ, бани, предприятия нефтегазовой, кожевенной, перерабатывающей промышленности. В пищевой промышленности жаротрубный газовый парогенератор 0,7 т используют для разморозки, подогрева, пастеризации, стерилизации тары такие предприятия, как спиртзаводы, молочные заводы, птицефабрики для тепловой обработки кормов и ошпаривания птиц, мясокомбинаты и консервные заводы, хлебозаводы, мелькомбинаты, маслосырзаводы, свинокомплексы.

Монтаж котла
Газовый паровой котел схема

Стальной горизонтальный газовый парогенератор СТМ 700 кг в час поставляется блоками максимальной заводской готовности. Котельный блок устанавливается в котельной на специально подготовленную ровную поверхность. Котельный блок подсоединяется по воде, устанавливается запорная арматура на подводящем трубопроводе и отводящем паропроводе, устанавливаются предохранительные клапаны и контрольно-измерительные приборы. Подключается горелка и автоматика. Типовые монтажные схемы вы можете изучить в разделе схемы подключения данного товара.

Чтобы перевести парогенератор КПа на газу производительностью 700 кг в час в водогрейный режим достаточно изменить схему подключения и установить другие предохранительные клапана.

Купить газовый парогенератор ПГ 700-115 С

Для того чтобы купить промышленный парогенератор на газе 700 кг пара в час, давлением 0.07 МПа и температурой 115 С в Оренбурге вы можете сделать заявку в отдел сбыта по телефону 8-800-700-06-43, либо оформить заявку через сайт или почту. Менеджеры дадут консультацию по подбору вспомогательного оборудования для выбранных вами моделей и рассчитают стоимость доставки. Доставка до вашего населенного пункта может осуществляться авто, железнодорожным и речным транспортом.

Если вы затрудняетесь с выбором нужной паропроизводительности, мы можем осуществить подбор, для этого нужно заполнить опросный лист или описать ваш техпроцесс.

Комплект поставки парогенератора газового 700 кг 115 °С

Цена парогенератора газового 700 кг 115 °С включает в себя запорную арматуру и КИП в пределах котла, вентилятор поддува и предохранительные клапаны. Ниже приведена подробная информация.

Дополнительное оборудование парогенератора газового 700 кг 115 °С

Для эффективной и надежной работы парогенератора газового 700 кг 115 °С вам потребуется дополнительное оборудование - насос. Мы предлагаем рассмотреть типовые варианты комплектации.

В случае если у вас на объекте имеется насосное оборудование, мы можем проверить совместимость парогенератора газового 700 кг 115 °С нашего производства и вашего оборудования.

По необходимости устанавливаются золоуловители.

Типовую схему монтажа котла вы можете посмотреть во вкладке схемы подключения.

Монтаж и схемы подключения парогенератора газового 700 кг 115 °С

Жаротрубный газовый парогенератор 700 кг 115° C 0,07 МПа, предназначен для получения насыщенного пара температурой не более 115 °С и давлением не более 0,07 (0,7) МПа (кгс/cм²) для технологических целей в производстве. Устанавливается в производственных и промышленных котельных.

Монтаж и подключение парогенератора газового 700 кг 115 °С

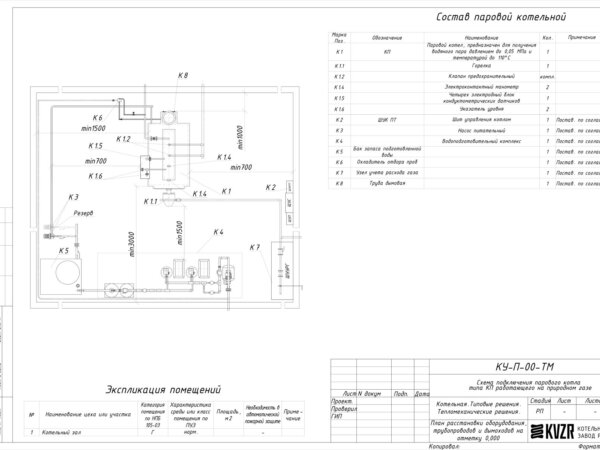
План расстановки оборудования в паровой котельной

Для правильного подключения парогенератора газового 700 кг 115 °С в котельной необходимо оставить проемы для обслуживания оборудования во время эксплуатации. Эти расстояния рекомендованы СНИП II-35-76. На данной схеме представлены их размеры. Кроме того мы составили примерный план, как можно произвести расположение подключение оборудования, а также указали перечень минимально необходимого вспомогательного оборудования для работы котла.

К вспомогательному оборудованию при работе парогенератора газового 700 кг 115 °С относятся:

  • питательные насосы (1 рабочий, 2 резервный);
  • бак запаса воды;
  • охладитель проб отбора воды;
  • система водоподготовки котловой воды;
  • горелочное устройство;
  • автоматика котла.

Водоподготовительная установка подбирается на основе данных химического анализа воды, проводимого специализированной лабораторией.

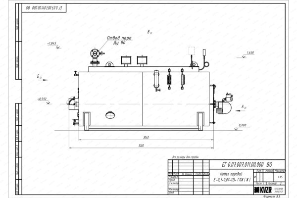
Схема парогенератора газового 700 кг 115 °С

Схема

В передней части жаровой трубы размещена топка, а в задней части - конвективный пучок труб.

В верхней части котла приварен паросборник, представляющий собой полуцилиндр. На паросборной камере устанавливаются предохранительные клапаны и два штуцера Ду15, один для установки электроконтактного манометра, второй для спуска воздуха с котла при заполнении водой при подготовке к работе.

К фронтовой плите котла крепится газовая горелка для подачи топлива в топку котла через амбразуру.

На задней крышке в основании дымовой трубы выполнен предохранительный взрывной клапан.

Образующиеся в топочной камере продукты сгорания проходят конвективный пучок труб и выводятся через трубу дымовую, установленную на корпусе в хвостовой части котла.

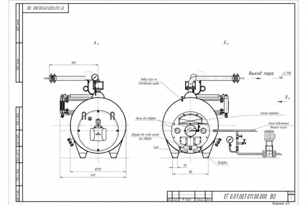
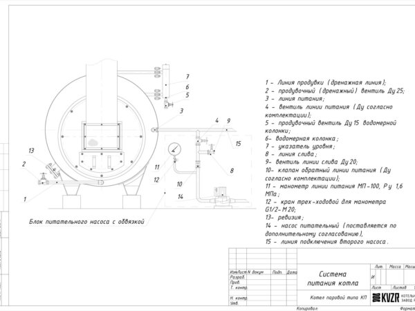
Система питания парогенератора газового 700 кг 115 °С

Система питания котла

При работе котла питание водой парогенератора газового 700 кг 115 °С производится через штуцер.

Подпитка котла ведется из питательного бака через насос, соединительную арматуру. На трубопроводе подпитки котла водой должно быть установлено запорное устройство и обратный клапан. Запорное устройство должно располагаться между котлом и обратным клапаном.

Для подпитки устанавливается не менее двух насосов с электроприводом. На стороне нагнетания каждого центробежного насоса до запорного органа должен быть установлен обратный клапан.

На трубопроводе выдачи пара, в непосредственной близости от котла, устанавливается запорное устройство.

На котле имеются продувочные штуцера Ду25, Ду15 и Ду10. Штуцер Ду25 предназначен для удаления шлама, образующегося в результате работы котла, периодической продувки котловой воды и для спуска воды в случае необходимости. Штуцер Ду15 предназначен для продувки водомерной колонки. Штуцера Ду10 предназначены для продувки указателей уровня.

В передней части жаровой трубы в верхней части установлена легкоплавкая пробка – предохранительное устройство прямого действия.

На боковой части корпуса устанавливается датчик уровней воды, связанный с паровым и водным пространством котла соединительными трубками не менее Ду25.

На боковой части корпуса устанавливается соединительная труба (колонка), служащая для установки двух указателей уровня, и связанная с паровым и водным пространством котла соединительными трубками не менее Ду25.

На боковой части корпуса внизу у котла имеется ревизия с крышкой, для периодического осмотра состояния поверхностей нагрева со стороны водяного объема.

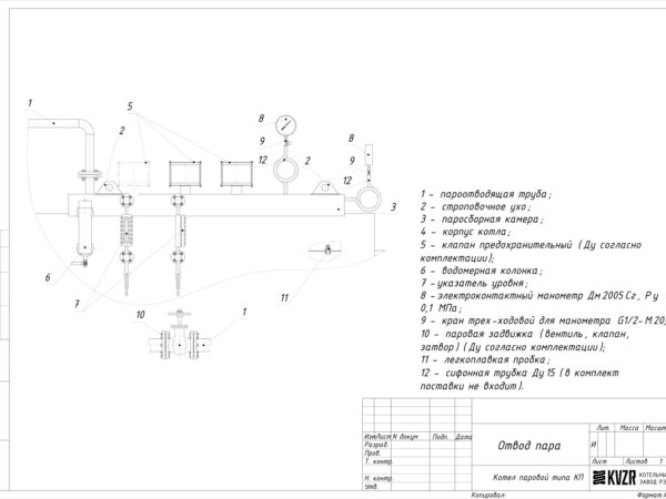
Отвод пара парогенератора газового 700 кг 115 °С

Отвод пара {{parts_subject_r}}

Предохранительные клапаны предназначены для стравливания давления в паровом газовом котле при превышении допустимого значения. На котле установлены самопритирающиеся предохранительные клапаны КПС-0.5 пропускной способностью не менее часовой производительности котла.

Принцип работы клапана состоит в том, что при достижении паром номинального давления избыток пара выходит наружу. Клапана оборудованы ручным приводом для открывания при проверке их на срабатывание.

Щит управления совместно с электрооборудованием предназначен для управления работой парогенератора газового 700 кг 115 °С и защиты его при возникновении аварийных ситуаций. На двери щита расположены сигнальная лампа и органы управления работой котла, с табличками, указывающими их назначение. По месту либо на стенке щита крепится сигнальная сирена.

На паросборной камере устанавливается один электроконтактный манометр. При монтаже манометра, показывающего давление пара в котле, должна быть предусмотрена установка трехходового крана между манометром и сифонным устройством. Допускается установка других устройств, позволяющих контролировать показания рабочего манометра, путем подключения в систему контрольного манометра. Электроконтактный манометр выполняет роль датчика давления и предназначен для отключения дутьевого вентилятора и включения аварийной сигнализации при достижении паром предельно допустимого давления.

Датчик уровней служит для подачи команды на включение и отключение питательного насоса парогенератора газового 700 кг 115 °С в процессе работы.

Указатель уровня воды предназначен для визуального контроля за уровнем воды при работе котла. На корпусе указателя крепится рамка или наносятся метки, указывающие верхний и нижний уровень воды.

Легкоплавкая пробка предназначена для сброса пара во внутренний объем топочной камеры в случае упуска воды ниже аварийного уровня и достижения фактического уровня воды на работающем котле ниже верхней кромки жаровой трубы. При этом легкоплавкая пробка перестает охлаждаться котловой водой и нагревается до температуры газов в топочной камере. Из-за нагрева наполнитель легкоплавкой пробки плавится и выдавливается давлением пара в топочную камеру, при этом сбрасывается давление пара и дополнительно гасится пламя.

Сертификаты и гарантии парогенератора газового 700 кг 115 °С

Гарантийный срок на газовый парогенератор 700 кг 115° C 0,07 МПа 24 месяца.

Сертификат на котлы паровые КП
Сертификат на паровые котлы КП

Отзывы о продукции

Другая похожая продукция

Газовый парогенератор 700 кг пара
Газовый парогенератор 700 кг 130° C 0,17 МПа
Топливо Газ
Производительность, кг/ч 700
Температура пара, не более, °С 130
Давление пара, не более, МПа 0.17
896 000 ₽
Парогенератор 700 кг на газе температура 170 С
Газовый парогенератор 700 кг 170° C 0,9 МПа
Топливо Газ
Производительность, кг/ч 700
Температура пара, не более, °С 170
Давление пара, не более, МПа 0.9
1 001 000 ₽
Газовый парогенератор 500 кг пара
Газовый парогенератор 500 кг 115° C 0,07 МПа
Топливо Газ
Производительность, кг/ч 500
Температура пара, не более, °С 115
Давление пара, не более, МПа 0.07
691 000 ₽
Газовый парогенератор 1000 кг пара
Газовый парогенератор 1000 кг 115° C 0,07 МПа
Топливо Газ
Производительность, кг/ч 1000
Температура пара, не более, °С 115
Давление пара, не более, МПа 0.07
1 120 000 ₽